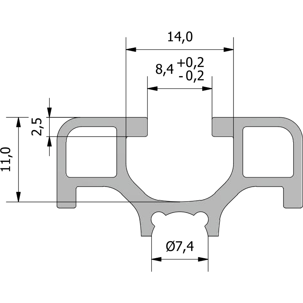
PROFILATO 32x32 4 CAVE RIBASSATE

CODICE DESCRIZIONE STEP PDF
B0700 PROFILATO 32x32 4CR
B0705 TAPPO 32x32 4CR
alluminio EN AW-6060 MgSi 6006/1
stato fisico T6
anodizzazione ARC10
cava ribassata, non utilizzare la piastrina 13x13
L barre 6040 mm, taglio a misura a richiesta
MASSA LINEARE (Kg) 0.77
SEZIONE AL TAGLIO (mm2) 286
MOMENTO D'INERZIA A FLESSIONE Ix (cm4) 3.09
MOMENTO D'INERZIA A FLESSIONE Iy (cm4) 3.09
MODULO DI RESISTENZA A FLESSIONE Wx (cm3) 1.98
MODULO DI RESISTENZA A FLESSIONE Wy (cm3) 1.98

PROGETTI E IMPIEGHI

531 nastrino mignon 2
cabina guardaroba 01 min
cassetto banco lavoro min
sponde nastro catene parallele min
tubi rullo1 min
Perché ....

.... scegliere l'alluminio ?
Perché è tra i metalli meno pregiati dal punto di vista industriale e tra i più nobili dal punto di vista dell'impiego: è meglio essere il migliore tra i dilettanti o il peggiore tra i professionisti?

.... utilizzare i profilati strutturali in alluminio ?
Perché sono resistenti, inalterabili nel tempo, più leggeri di ferro e acciaio, facilmente lavorabili ed esteticamente pregevoli; in buona sostanza perché sono l'uovo di Colombo della progettazione strutturale meccanica.

.... proteggere una macchina automatica o recintare un'isola di lavoro ?
Perché, oltre alla Legge, lo impone il buon senso, e non solo a tutela degli operatori: per un'azienda, l'incidente sul lavoro è l'evento peggiore che possa accadere!
Perché spesso è più semplice tenere a distanza, impedendo l'accesso alle persone non autorizzate, piuttosto che prevedere un comportamento avventato, foriero di pericolo o rischio, per sé stessi e per gli altri.

.... progettare una macchina automatica o un trasportatore con il telaio in profilati di alluminio ?
Perché progettare è difficile, prevedere ogni dettaglio ancora di più e il sistema modulare concede spazio alle modifiche in corso d'opera.
​​Perché hanno le cave che possiamo sfruttare per sostenere gli accessori e le parti di azionamento e controllo indispensabili per l'integrazione con le macchine e gli impianti esistenti.

.... attrezzare un laboratorio con un banco realizzato con profilati in alluminio ?
Perché immaginare quali saranno le esigenze future non è facile e i profilati in alluminio, grazie alle cave -o gole- permettono di personalizzare nel tempo le postazioni di lavoro.

.... acquistare un nastro trasportatore o una rulliera motorizzata ?
Perché sono infaticabili, sollevano gli operatori da operazioni alienanti, perché liberano tempo da destinare ad attività più redditizie; perché sono il naturale complemento a macchine automatiche e impianti, perché svolgono tutte le attività di movimentazione senza lamentarsi della ripetitività delle operazioni!

Dovete ....

.... garantire la sicurezza degli operatori, proteggere una macchina automatica, recintare un impianto o un'isola di lavoro ?
Spendete qualche minuto e rivolgete l'attenzione all'area prodotti dedicata ai profilati in alluminio, a quella dei progetti realizzati nell'ambito delle protezioni anti infortunistiche a bordo macchina e a quella delle recinzioni perimetrali.

​​​Sia in questo caso, che per altra esigenza, all'interno dei cataloghi PDF, scaricabili on-line dalla pagina con menù dedicato, troverete tutte le informazioni relative -per esempio- alla categoria profilati strutturali in alluminio, alla sezione  profilati chiusure e ai prodotti profilato 32x32 4 cave ribassate, complete delle schede tecniche di ogni singolo articolo mentre, in questo spazio web, le indicazioni necessarie per individuare il prodotto "giusto", il codice adeguato o l'oggetto "risolutivo".

Cataloghi e filosofia

TRIMAT, dopo un'analisi di mercato vincolata alla compatibilità dei prodotti con il sistema modulare in profilati strutturali in alluminio proposto, ha inserito nei propri cataloghi profilati chiusure e profilato 32x32 4 cave ribassate, limitando volontariamente la scelta della gamma e rinunciando a moltiplicare le pagine con item ricorsivi o non compatibili al cento per cento con i profilati estrusi medesimi.

​Nella costruzione delle commesse TRIMAT impiega, per filosofia aziendale e non certo per obbligo, i medesimi codici proposti a catalogo: profilato 32x32 4 cave ribassate e profilati chiusure ne sono degli esempi.
Tale scelta ha indotto l'azienda ad essere molto selettiva e di avere un occhio sempre rivolto alla funzionalità, alla bontà delle soluzioni e alla semplicità di montaggio, aspetti che si traducono sempre in risparmio economico.

TRIMAT fornisce....

....solamente confezioni standard o anche pezzi sciolti?
​​In entrambi gli stati di fornitura e, in taluni casi, riguardo al taglio a misura dei profilati, non chiede il ritiro degli sfridi perché ha modo di impiegarli nella propria produzione a commessa.

​​....solo profilati e accessori o anche prodotti finiti?
​Entrambi: commercializza profilati e componenti, costruisce sia a disegno, sia a proprio progetto a seguito di rilievi e indicazioni del cliente. ​....

​soltanto prodotti standard o anche personalizzati?
​La politica di vendita dell'azienda le consente di gestire sia i codici a catalogo, considerati standard, che produzioni a disegno cliente.

In magazzino

I prodotti profilato 32x32 4 cave ribassate della sezione profilati chiusure sono solo un esempio di quanto TRIMAT può fornire prelevando dalle scaffalature e dai cantilever dal proprio magazzino, dal pronto, grazie al sistema di gestione delle scorte implementato in azienda.

​Le informazioni relative alle famiglie dei i prodotti profilato 32x32 4 cave ribassate e della sezione profilati chiusure sono raggruppate per categorie e sezioni che compaiono nei cataloghi in formato PDF disponibili sul web.

A disposizione !

Desiderate un referente personale che possa consigliarvi nella scelta di profilati strutturali in alluminio?
​Siete interessati alla sezione profilati chiusure o al prodotto profilato 32x32 4 cave ribassate?​ ​

Vorreste ricevere una proposta commerciale per un prodotto della categoria profilati strutturali in alluminio? ​
Non esitate a farci pervenire la vostra richiesta a mezzo e-mail o a contattare il funzionario vendite che vi segue: ricevere la quotazione sarà questione di ore.

​Siete intenzionati all'acquisto di prodotti quali ad esempio  profilati chiusure o profilato 32x32 4 cave ribassate?
​​Inoltrateci il vostro ordine a mezzo e-mail o prendete contatto con il vostro referente vendite: la conferma formalizzata vi giungerà in tempi brevissimi.​ ​

​N​ella pagina CONTATTI trovate tutti i riferimenti necessari; non esitate a scriverci, riceverete in forma ​elettronica tutte le informazioni del caso. ​
Preferite incontrarci?
TRIMAT risiede a Viganò, in provincia di LECCO, ed è vicina e ben collegata alle maggiori direttrici.

TORNA SU